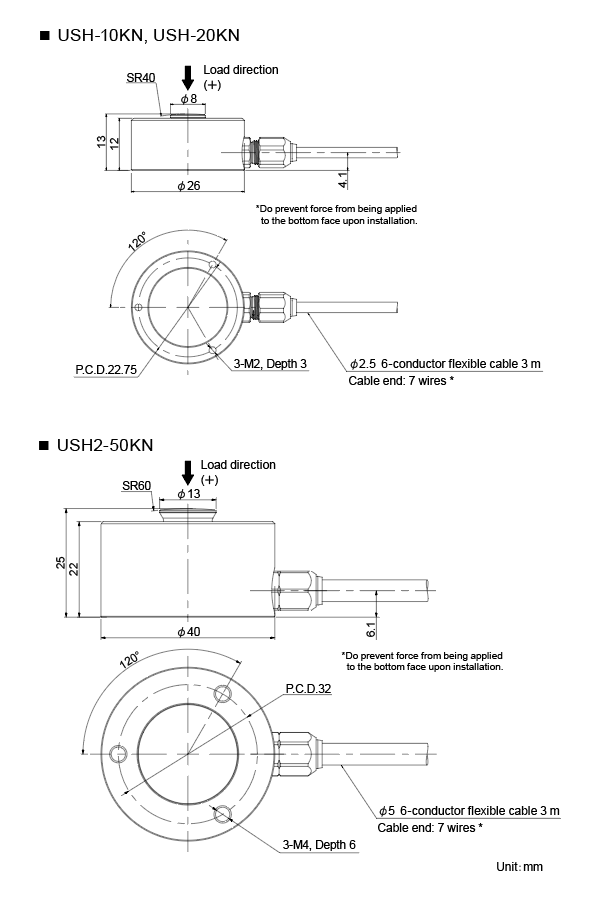
USH/USH2
产品概要
容量10kN、20kN、50kN
体积小、大量程
小型传感器
技术参数
| 型号 | USH-10KN USH-20KN | USH2-50KN | |
|---|---|---|---|
| 额定容量 | 10,20 k | 50 k | N |
| 额定输出 | 1±20% | mV/V | |
| 允许负载 | 200 | %R.C. | |
| 零点平衡 | ±20 | %R.O. | |
| 非线性 | 0.2 | %R.O. | |
| 滞后 | 0.15 | %R.O. | |
| 重复性 | 0.1 | %R.O. | |
| 补偿温度范围 | -10~+70 | ℃ | |
| 允许温度范围 | -30~+85 | ℃ | |
| 零点的温度影响 | 0.2 | %R.O./10℃ | |
| 输出的温度影响 | 0.2 | %R.O./10℃ | |
| 输入端子间阻抗 | 約1000 | Ω | |
| 输出端子间阻抗 | 約1000 | Ω | |
| 推荐激励电压 | 5 | V | |
| 允许激励电压 | 7.5 | V | |
| 绝缘阻抗(DC50V) | 1000以上 | MΩ | |
| 电缆线 | φ2.5 6芯屏蔽软电缆 3m 头部散状 | ||
| 电缆线配色 | +EXC:(红) +S:(黄) -S:(橙) -EXC:(黑) +SIG:(绿) -SIG:(白) SHIELD:(蓝) | ||
| 负载的弯度 | 0.06 | 0.07 | mm |
| 固有频率 | 20 | 15 | kHz |
| 传感器材质 | 铝合金 | ||
| 重量 | 約100 | 约180 | g |
| RoHS指令 | 2011/65/EU (EU)2015/863 | ||
外形尺寸

0510-8272-0324/25